
カーポートの柱高、これでホントに大丈夫かしら…?
柱の高さは選び方を間違えると、大惨事になります!! 😧 😧
特に傾斜地においては、よく考えないといけません。
設置後に後悔しないために、カーポート柱高の選び方&傾斜地での外構の注意点をご紹介します 🕊️
目次
・カーポートの高さ選びの基本基準
・カーポートの柱の高さの一般的な種類
・高さを決める際に考慮すべき生活シーン
・傾斜のある駐車場での外構づくりのポイント
カーポートの高さ選びの基本基準
カーポートの最適な高さは、駐車する車の高さに30〜50cmのゆとりを持たせた寸法が一般的な目安とされています 🚘️
この高さは地面から屋根を支える梁の下までの長さを指しており、車を停めた際の圧迫感を減らしつつ、雨風を適度に防ぐ基準となります。

カーポートの柱の高さの一般的な種類
カーポートの柱の高さには、大きく分けて3つの種類が存在します 😊
メーカーによって名称や細かい寸法に違いはありますが、所有している車の種類や目的に合わせて適切な高さを選ぶことが、失敗や後悔を防ぐための重要な選び方となります 🙆
標準柱(約1.8〜2.2m)
標準的な高さの柱は、有効高が約1.8〜2.2メートル程度に設定されています。

主にセダンやコンパクトカー、軽自動車など、比較的車高が低い車を駐車する場合におすすめです 👌
屋根が低いため、横から雨が吹き込むのを防ぎやすく、カーポート本来の目的である風雨から車を守る効果が高いのが特徴です ☔️
また、脚立を使った屋根上の掃除やメンテナンスがしやすい点もメリットですが、将来背の高い車に買い替えた際に寸法が足りなくなるリスクには注意が必要です ⚠️
ロング柱(約2.3〜2.5m)
ロング柱は、有効高が約2.3〜2.5メートル程度あり、標準柱よりも少し高めに設定された人気のサイズです ✨️

主にミニバンやSUVなどの背の高い車を停めるのに適しています 🙆?♂?
標準サイズでは圧迫感を感じる場合や、少し余裕を持たせたい場合に選ばれることが多く、使い勝手の良さが特徴です。
価格帯も標準タイプと大きく変わらないことが多いため、将来の車の買い替えも見据えて、あらかじめ余裕のあるロング柱を選ぶケースが一般的になっています 👍️
ハイロング柱(約2.8m以上)
有効高が約2.8メートルから3メートル以上ある非常に高いタイプで、メーカーによってはハイルーフ柱と呼ばれることもあります 🗼

ルーフキャリアを載せている車や、キャンピングカーなどの特殊な大型車を駐車する際に必要となります。
頭上の空間が広がり開放感のある雰囲気が作れますが、高すぎるカーポートは横からの雨風が入りやすくなるのがデメリットです 😵
また、柱を長くするために強度を上げる必要があり、材料費や施工費が高くなる傾向があります ⤴️
高さを決める際に考慮すべき生活シーン
カーポートの高さは、単に車の全高だけで決めるのではなく、実際の生活シーンや使い方を想像して選ぶ必要があります。
日常的な使い勝手を考慮せずに高さを決定してしまうと、後から不便に感じてしまうことも少なくありません 🥲
トランクの開閉とルーフキャリアの有無
高さを選ぶ際は、車の後ろのトランク(バックドア)を全開にした時の高さを確認しておいてください ✅️
ハッチバックタイプの車は、開けた際に最も高い部分が2メートルを超えることがあり、屋根や梁にぶつかってしまう恐れがあります。

また、現在は車高が低くても、将来的にルーフキャリアを設置して荷物を積む予定がある場合は、その分の高さも計算に入れておくことが重要です。
日常の動作で支障が出ないよう、ゆとりを持たせたサイズ選びを心がけると安心です 😉
高い屋根と低い屋根のメリット・デメリットの比較
屋根を高くすると、将来的に大型車へ買い替えてもそのまま使い続けられるメリットや、開放的な雰囲気が得られる利点があります ⭕️
一方で、風雨が吹き込みやすくなり、車が雨に濡れやすくなるのがデメリットです ☔️
逆に屋根を低くすると、風雨をしっかり遮ることができ、掃除がしやすい効果を持っていますが、駐車時の圧迫感や車の選択肢が制限される難点も存在します。
それぞれの違いを把握し、自宅の環境に合わせて最適な高さを比較検討する必要があります 🤔
駐車スペースの傾斜
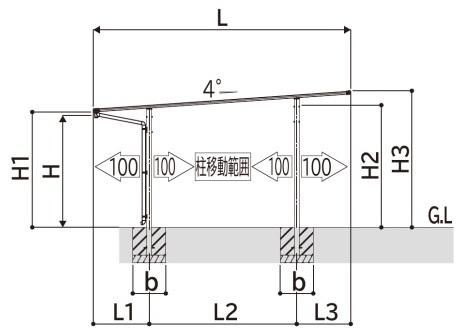
一般的に駐車場には、雨水を流すために多少の傾斜をつけます。

カーポートは基本的に柱が長くなる方(手前側)を基準として、水平になるように施工しますので、地面が上がっている奥側は、必然的に屋根の高さが低くなります。

駐車場の傾斜を考慮せずカーポートの柱高を選ぶと、車とカーポートの屋根がギリギリになります ⚠️
例えば、自家用車の車高が1.7mだったとしましょう。カーポートはそれより大きめの柱2mタイプを購入して設置しました。
ところが設置してみると、2mなのは車庫の手前側だけで、奥側は10〜20cmほど(現地の勾配によって変わります)屋根が低くなってしまいます。
↓イメージ図です(柱高2mのカーポートを購入した場合)

柱が高くなる方に長さを揃えるので、右側2m、左側1.8mとなります。
柱の高さが2mほしかったのに、予定より左側は0.2m足りなくなってしまいました…
この駐車場で車高1.7mの車を駐車するのは不安ですよね 🥲
ちなみに、屋根と地面が平行になるようにカーポートを付ければ、柱高は同じになるのでは?とご質問いただくことがありますが、

▲イメージ図▲
カーポートの構造上、柱と屋根を垂直にしないと、屋根の部品が固定できなくなってしまいますので、柱と屋根を垂直に出来なくなる「地面と平行に」する施工は出来ません。
また、柱と屋根を垂直にして、柱を傾けて施工することもできません。

▲イメージ図▲
傾斜のある駐車場での外構づくりのポイント
傾斜地や急な勾配の土地に駐車スペースを設ける場合、カーポートの柱の高さだけでなく、柱の位置や防犯対策としてのゲート選びもポイントになります。
ここでは、傾斜のある環境で快適に車を出し入れするための設備選びについて詳しく解説します ☘️
家とのバランスも考慮した外構計画の参考にしてください 😉
傾斜地はハイロング柱か後方支持タイプがおすすめ
このように、急な傾斜がついている駐車場の場合は、ハイロング柱がおすすめです 🙆

例えば勾配が50〜60cmある場合、ハイロング柱なら地面から2m80cm〜2m30cmの位置に屋根がある状態になります。
または、後ろ柱だけで建てる後方支持タイプのカーポートなら、傾斜に関わらず標準柱やロング柱で設置できます 👌

ハイロング柱の懸念点である柱が高すぎることによる違和感もなく、傾斜地でもかっこいい駐車場になりますよ 💍
屋根の傾斜も一般的なカーポートと変わらない4度程度です。
・後方支持タイプ
・一般的な2台用カーポート
傾斜地の駐車スペースに設置できるカーゲート
傾斜のある土地ではカーポートの形状だけでなく、防犯やプライバシー保護を目的としたカーゲート選びにも独自の工夫が求められます 🤔
傾斜地に対応した専用の伸縮門扉や跳ね上げ門扉を採用すれば、勾配がある場所でもスムーズかつ安全に開閉できる環境を整えることができます。
伸縮門扉:三協アルミ クロスゲートS

跳ね上げ門扉:LIXIL ロング接地ストッパー
地面の傾きに合わせて可動する仕組みを持つ製品を選択することで、駐車場の入り口部分に高低差があっても無理なく設置可能です。
カーポートと合わせてこれらの専用ゲートを取り入れることで、家全体の防犯性を高めた充実した外構に仕上がります 👮 ⭕️
まとめ
カーポートの柱高選びは、愛車を長く守るために非常に重要なポイントです ☝️
特に傾斜地への設置では、地面の高低差によって想定よりも屋根が低くなるリスクがあるため、標準的な基準以上に慎重な判断が求められます 🤔
将来的な車の買い替えやライフスタイルの変化まで見据え、垂直や水平を保つ施工の仕組みを正しく理解した上で、ゆとりあるサイズを選択することが後悔を防ぐ鍵となります 🗝️
ご自身の敷地条件に最適な高さが分からない場合や、設置に不安を感じる場合は、ぜひ一度ご相談ください 🌸
現地調査を行うことで、お住まいの環境に合わせた最適なプランを提案いたします 🧑💼
事前の正確な計測と適切な製品選びで、利便性の高い快適な車庫スペースを実現しましょう 😉
カーポートに関する施工例を13,000件以上公開しておりますので、よかったらご覧ください 🎵
施工例ページはこちら>>
外構に関するご相談や現地調査・お見積り作成も無料でご対応しております!
お気兼ねなくご連絡くださいませ 😄